幾種在微小流量測量中應用的流量計
適合用來測量微小流量的常用流量計有多種,例如差壓式、浮子式、容積式、熱式等,其中有些流量計既適合測量中大流量,也適合測量微小流量,而另一些專門為測量微小流量而設計。
(1)差壓式流量計由標準節流裝置和差壓計組成的差壓式流量計,在小流量測量中受到三方面的限制。
第一個限制是雷諾數下限的限制。節流裝置種類不同,其雷諾數下限也不同,就一般而言,雷諾數≥104是可以使用的界限。與此雷諾數下限相對應的平均流速和流量即為小流量的測量下限。雷諾數太小,流出系數會隨雷諾數的變化而產生顯著的變化,以致不確定增大。
第二個限制是管徑的大小。標準節流裝置僅適用于50mm和50mm以上管徑。管徑太小時,節流裝置直徑相應變小,按標準中規定的形狀進行相似加工發生困難。
第三個限制是差壓太小。此差壓同流速的平方成正比,當流速低到一定數值,差壓就變得很小,以致無法分辨。
針對上述的三個限制,有些儀表公司開發了僅適合微小流量測量的內藏孔板差壓式流量計。這種流量計同由標準節流裝置為傳感器的流量計在下面幾點有顯著的差別。第一個差別是結構上,前者是傳感器與變送器合為一體,其典型的結構如圖3.57所示,而后者是傳感器與變送器相分離。

第二個差別是管徑,前者適用的管徑均小于50mm,典型的管道內徑為10mm 和20mm。由于管徑縮小,流速以及同流速相關的雷諾數得以提高,因而能得到較高的差壓。所以內藏孔板流量計彌補了標準節流裝置型差壓式流量計不適合測量小流量的不足。
第三個差別是保證精確度的手段。前者是用實流標定的方法來保證測量精確度的,經過實流標定能得到1級(水)或1.5級(空氣)精確度,如果實流標定后用合適的方法對誤差進行自動校正,則可得到0.5級(水)和1級(空氣)精確度。如果不經實流標定,只能得到5級精確度。圖3.58和圖3.59所示是一臺內藏孔板流量計標定得到的誤差以及校正曲線。

現在,差壓變送器多數已實現智能化,這為內藏孔板流量計改變量程提供了便捷的手段。內藏孔板流量計在調試和運行中,如果發現原先確定的滿度流量值不合適,可將流量滿度值擴大或縮小一擋,然后按差壓同流量的關系計算新的差壓上限,如式(3.108)所示。

用手持終端將差壓變送器的差壓上限重新設置后,流量計的精確度不會有明顯的變化。內藏孔板流量計只適合安裝在水平管道上,因為差壓變送器偏離水平位置后,其兩個膜盒所受的重力變得不對稱,因而出現零點漂移。好在這種流量計由于管徑小,儀表前后直管段絕對長度要求相應較短,所以水平安裝不會給配管帶來太大的困難。
內藏孔板流量計的結構常見的有兩種:一種是流體流過差壓變送器高低壓室,如圖3.60所示;另一種是流體不流過差壓變送器高低壓室,如圖3.61所示。

對于前面一種結構,流過差壓計高低壓室的流量同流過節流件的流量相等,當流量近似等于0時,流速很低,流體流過高壓室和低壓室所產生的壓降可忽略,因此,差壓變送器測量到的差壓同節流件兩端的永久壓降相等。但當流量增大,流速升高到一定數值時,流過高低壓室的壓降相應增大,差壓變送器測量到的差壓明顯高于節流件兩端壓降,從而產生相應的測量誤差。現在市場上的差壓變送器體積做得越來越小,高低壓室內膜盒與殼體之間的間隙做得更小,這就使得該結構的缺陷更為突出。而圖3.61所示的結構完全不存在此問題。

內藏孔板流量計安裝時應防止可能出現的冷凝液和氣體在高低壓室中的聚集,即測量氣體流量時,高低壓室應高于節流件(如圖3.62所示),以免可能存在的冷凝液流入高低壓室。測量液體流量時,高低壓室應低于節流件,以免可能存在的氣體鉆入高低壓室。
(2)浮子流量計。浮子流量計主要由浮子和錐形管組成。玻璃管浮子流量計中的錐管為玻璃管;金屬管浮子流量計的錐形管用金屬制成,流體溫度可達180℃,流體壓力可達 13MPa。
小口徑浮子流量計的流量測量范圍已經可以做得很小,其中水為0.3~3L/h,空氣為5~50L/h。環境保護中用得很多的大氣采樣器,流程在線分析儀器和實驗室分析儀器等普遍使用的微型玻璃浮子流量計,其測量范圍可更小。
浮子流量計屬中低精確度儀表,金屬管浮子流量計的基本誤差,就地指示型為1%~2.5%FS,遠傳型為1%~4%FS,小口徑玻璃管浮子流量計為2.5%~5%FS。因此,一般只適用于流量監視,而不用于核算計量。
玻璃管浮子流量計只適用于氣體和透明度較高的液體,否則浮子在錐形管中的高度不易看清。而金屬管浮子流量計卻無此限制。
在工業過程的液位、流量、密度測量中,被測介質如果黏度較大或有腐蝕性。常用吹氣或吹液的方法進行隔離,吹氣、吹液流量常用浮子流量計測量。在氣(液)源壓力波動較大或被測介質壓力波動較大的場合,為了使吹氣、吹液的流量穩定和準確地測量,有的產品將浮子流量計與調節器(恒流器)配成一套恒差壓流量調節器。圖3.63(a)所示的RE型用于穩定入口氣體或液體壓力變化,保證指示和輸出流量穩定。圖3.63(b)為RA型,用于穩定出口壓力變化,只用于氣體。圖3.64(a)為RE型儀表輸出流量隨入口壓力變化曲線;圖3.64(b) 為RA型儀表輸出流量隨出口壓力變化曲線。而輸出流量的大小則可通過浮子流量計所帶的閥門設定。

小口徑浮子流量計,流體黏度對示值影響較明顯,研究者以水做試驗,當水溫從5℃升到40℃,即水的運動黏度從1.52×10-6m2/s下降到0.66X10-6m2/s,DN6儀表就有1%/℃左右的影響值。對于黏度較高的液體,影響更大。
金屬管浮子流量計的浮子多半帶有磁性,經磁性耦合部分將浮子在錐形管內的高度信號傳遞到錐形管外。在鋼管中流動的流體多少要夾帶一些鐵磁雜質,這些雜質在流過流量計時極易被浮子吸引,輕者導致示值變差增大,重則導致浮子卡滯,出現虛假指示。應在儀表前加裝磁性過濾器。圖3.65所示的磁性過濾器中裝有以螺旋方式排列的磁棒,每根磁棒的外面均包有PTFE 聚四氟乙烯,具有良好的耐腐蝕性。這種過濾器的壓力損失很小。

浮子在錐形管中上下移動,其任意一個高度都對應一個環形流通面積,但當浮子表面和錐形管內壁粘有污垢時,這個環形流通面積就有所變小,儀表示值有偏高趨勢,對于小口徑儀表尤為明顯。有的研究者做過試驗,將口徑為6mm的玻璃管浮子流量計,在實驗室中測量看似清潔的水,流量為2.5L/h,運行24h后,流量示值升高百分之幾,浮子表面黏附肉眼觀察不到的異物,取出浮子用紗布擦拭,即恢復原來的流量示值。
(3)容積式流量計。容積式小口徑流量計有比較高的準確度,測量下限也可做得很小,例如 KEROMATE-RN型橢圓齒輪流量計(微流量燃料油流量計)測量范圍為0.1~10L/ h,瞬時流量>1L/h后,基本誤差不大于±1%R。容積式流量計保證精確度的流量下限還與流體的黏度有關,黏度小的流體,從機構的縫隙中泄漏的量相應大一些,因此保證精確度的下限流量只能定得高一些,反之,則可定得低一些。
新型的容積式流量計也已經引入了計算機技術,儀表自帶單片機,完成流量系數整量化,瞬時流量計算,積分運算,瞬時流量和累積流量的就地顯示等,內置兩節鋰電池,可供儀表運行8年。儀表的OC門輸出口靠儀表外部提供的電源工作,可輸出經整量化的幅值足夠大的脈沖信號(例如小口徑儀表流量系數取100P/L),遠傳到1km以內的控制室或操作站,供記錄、調節等使用。圖3.66所示即為這種儀表的遠傳信號輸出級。

容積式流量計按其原理分有橢圓齒輪流量計、腰輪流量計、旋轉活塞式流量計等多種,但是小口徑容積式流量計有個共同要求,即儀表前面足夠近的地方要加裝過濾器,而且儀表口徑越小,過濾網的目數越高。例如,25~50mm口徑需(每25.4mm長度)60目過濾網,20mm口徑需(每25.4mm長度)80目,不大于15mm徑需(每25.4mm長度)200目等。有的微小流量容積式流量計出廠時就配有一只過濾器,如圖3.67所示。

(4)熱式流量計。用于微小流量測量的熱式流量計是一種直接式質量流量計。是利用傳熱原理測量流量的儀表,即流動中的流體與熱源(流體中外加熱的物體或測量管外加熱體)之間熱量交換關系來測量流量的儀表。
熱式流量計用得最多的有兩類:一類是利用流動流體傳遞熱量,改變測量管壁溫度分布的熱傳導分布效應的熱分布式流量計(thermal profile flowmeter),曾稱量熱式流量計;另一類是利用熱消散(冷卻)效應的金氏定律(King's law)熱式流量計。

圖3.68所示為熱分布式流量計工作原理。流量傳感器由細長的測量管和繞在其外壁上的加熱器及感溫元件組成,加熱器線圈布置在測量管的中央,它將管壁和管內的流體加熱,在加熱線圈兩邊對稱位置繞有兩個感溫熱電阻R1和R2,測量與加熱線圈對稱的上、下游處管壁溫度 T1、T2。R1、R2與另外兩個電阻R3、R4組成惠斯登電橋,以測量溫差△T =T2-T1。加熱器提供恒定的熱量,通過線圈絕緣層、管壁、流體邊界層傳導熱量給管內流體。邊界層內熱量的傳遞可以看作熱傳導方式實現的。在流量為零時,測量管上的溫度分布如圖中的虛線所示,相對于測量管中心的上、下游是對稱的,電橋處于平衡狀態;當流體流動時,流體將上游的部分熱量帶給下游,導致溫度分布變化如實線所示。由電橋測出兩感溫體的平均溫差△T,便可按式(3.109)導出質量流量qm,即

由于測量管壁很薄且具有相對較高的熱導率,因此儀表制成后A的變化可簡化認為主要是流體邊界層熱導率的變化,當使用于某一特定范圍的流體時,A和cp都可視為常數,則質量流量僅與溫差△T成正比。
為了獲得良好的線性輸出,必須保持層流流動,測量管制得細而長,即有很大的長徑比。
此種氣體質量流量計是假定氣體的比定壓熱容cp為恒定值。實際上,對于一定的氣體,比定壓熱容cp值與氣體的壓力無關,而在一定的溫度范圍內,受溫度的影響很小。但當被測氣體是混合氣體時,比定壓熱容的值將隨組分比發生變化,以致在實際使用時,當被測氣體的組分發生變化時,會帶來顯著的測量誤差,必須進行校正。
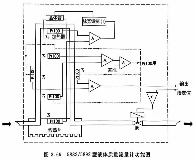
按照熱式質量流量計的原理,有的公司也推出了適用于液體微小流量測量的熱式質量流量計。圖3.69 所示為 5882/5892型液體質量流量計的實際功能圖。

其測量范圍有0~200g/h和0~1000g/h(用水標定)兩種。流體黏度允許高達200mPa·s(儀表最大差壓4MPa)。流量測量精確度為±0.5%FS。在特殊設計的傳感器中,流體在測量管內流動,測量管中點溫度T4被控制在比進口溫度T3高20℃的恒定值,熱量是垂直于管道軸線方向傳送給流體。這一點同適用于氣體的熱式流量計恰恰相反。在區域1和區域2,流體分別被輕微地加熱和冷卻,流體溫度從T2變化到T1,建立了垂直于測量管的能量流,該能量流經溫度傳感器測量,其溫度差值△T=T1-T2與質量流量呈精確的線性關系。
適用于氣體的熱式流量計與包含阻流件的大管道配合,可以很容易地擴大測量范圍。適用于液體的熱式流量計卻不能,因為流體黏度變化、氣泡、熱對流和安裝位置等都會直接影響其運行和性能。
5882/5892型儀表還具有控制功能,在其“SETPOINT”口輸入代表設定流量的4~20mA DC,質量流量就會跟蹤該路信號,從而實現流量定值調節。